Dodaj produkty podając kody
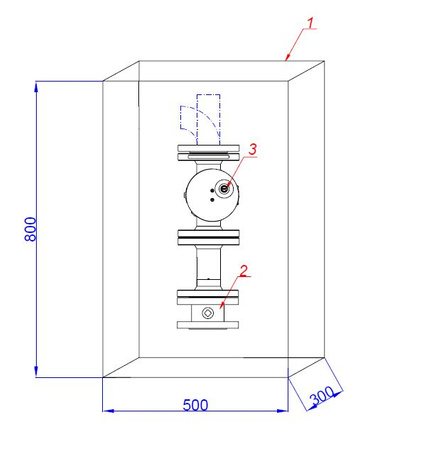
Punkt odcinający DN40
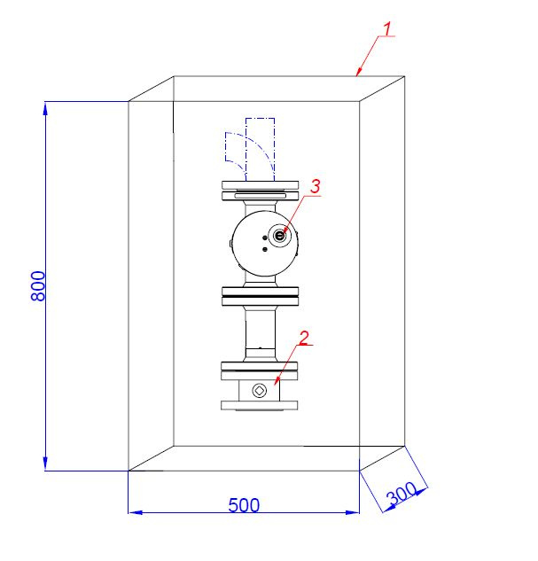
Punkt odcinający DN40
Punkty odcinające dopływ gazu stosowane za układem pomiarowym lub redukcyjno-pomiarowym, w strefach zagrożonym wybuchem (EX).
W skład takiego punktu wchodzą zawory kulowe kołnierzowe oraz zawór elekromagnetyczny, który pewnie i skutecznie odcina dopływ gazu do instalacji, w chwili wykrycia gazu w pomieszczeniu, przez detektory. Zawór odcinający dopływ gazu do budynku, będący elementem składowym urządzenia sygnalizacyjno-odcinającego, powinien być instalowany poza budynkiem, między kurkiem głównym a wprowadzeniem przewodu do budynku.
Gwarancja
a)Wyroby własne Grupy Weba, ale inne niż zespoły gazowe na przyłączu, stacje i punkty gazowe – termin gwarancji to 36 miesięcy od daty zakupu
b) Zespoły gazowe na przyłączu, stacje i punkty gazowe – termin gwarancji to 36 miesięcy od daty zakupu Przedmiotu Sprzedaży, ale z wyłączeniem wyposażenia zespołów gazowych takiego jak: reduktory, gazomierze, zawory wydmuchowe, przetworniki ciśnienia, korektory, telemetria i inne urządzenia elektroniczne. Wyposażenie to podlega gwarancji na zasadach określonych przez ich producentów.











